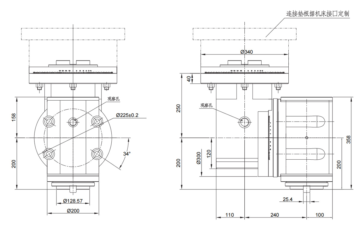
FXT2偏置式万能铣头
产品参数
| 传动比r | 1:1 |
|---|---|
| 最高转速 rpm | 2000 |
| 最大输出扭矩 N.m | 1000 |
| 最大输出功率 kW | 18 |
| 刀具接口 | ISO 50 |
| 上头方式 | 手动 |
| 转头方式 | 手动 |
| 连接方式 | 手动 /自动安装铣头(根据机床接口而定) |
| A/C轴分度方式 | 手动 |
| A/C轴分度定位方式 | 销定位 /端齿盘定位(144齿/2.5°或72齿/5°) |
| 松夹刀方式 | 手动 |
产品视图

