首页
产品中心
产品中心
大有通用系列
大音非标系列
大易铣头服务
合作伙伴
下载中心
下载中心
电子样本
调试视频
关于我们
联系我们
mailto:mycd@mingyuancd. com
全国服务热线:400-8285-815
×
首页
/
产品中心
/
大音非标系列
/
FXT8
大有通用系列
大音非标系列
大易铣头服务
产品中心
• 大有通用系列
FXT1-A全自动直角铣头
FXT-ACX铭源重磅
MT1 B01直角铣头
MT1 B02直角铣头
MT1S B01双输出直角铣头
MT2万能铣头
MT3 扁直角铣头
• 大音非标系列
FXT1直角铣头
FXT2偏置式万能铣头
FXT3扁直角铣头
FXT4延伸铣头
FXT5音叉式万能铣头
FXT7加长直角铣头
FXT8正交铣头
• 大易铣头服务
联系我们
电话:0519-89850366
地址:中国.常州 钟楼区邹区镇工业集中区 岳杨路5号
FXT8
大有通用系列
大音非标系列
大易铣头服务
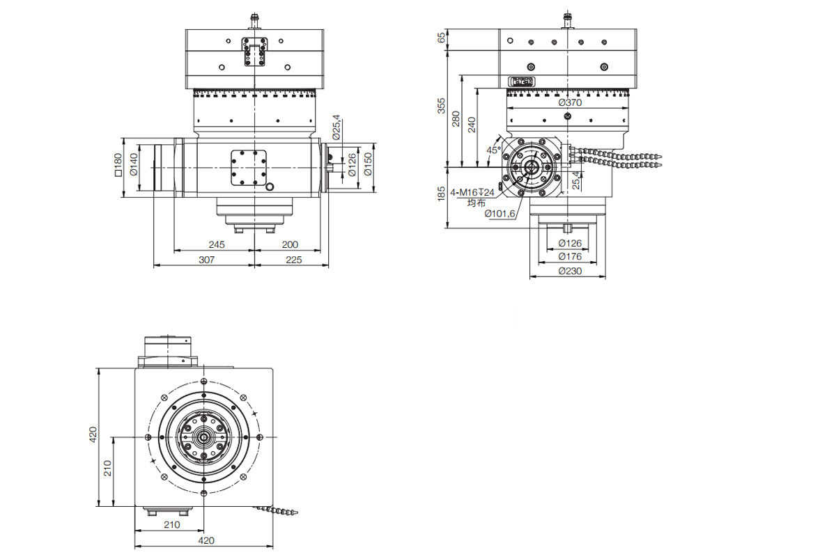
FXT8正交铣头
产品中心
FXT8-HA 正交铣头
立即咨询
产品参数
传动比r
1:1
最高转速 rpm
2000
最大输出扭矩 N.m
1200
最大输出功率 kW
37
刀具接口
ISO 50
铣头安装方式
手动
立轴松夹刀方式
自动
卧轴松夹刀方式
自动
C轴回转方式
自动
C轴最小分度值
5°
产品视图
相关产品
FXT8-HA 正交铣头
Top